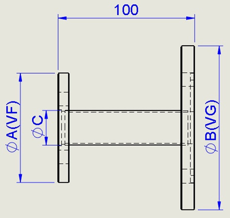
| P/N | SIZE | ØA | ØB | ØC | P/N | SIZE | ØA | ØB | ØC | ||||
|---|---|---|---|---|---|---|---|---|---|---|---|---|---|
| CAJG2020 | VF20, VG20 | 80 | 80 | 25.4 | 2D / 3D | CAJG8020 | VF80, VG20 | 160 | 80 | 25.4 | 2D / 3D | ||
| CAJG2025 | VF20,VG25 | 80 | 90 | 25.4 | 2D / 3D | CAJG8025 | VF80, VG25 | 160 | 90 | 25.4 | 2D / 3D | ||
| CAJG2040 | VF20,VG40 | 80 | 105 | 25.4 | 2D / 3D | CAJG8040 | VF80, VG40 | 160 | 105 | 38.1 | 2D / 3D | ||
| CAJG2050 | VF20,VG50 | 80 | 120 | 25.4 | 2D / 3D | CAJG8050 | VF80, VG50 | 160 | 120 | 50.8 | 2D / 3D | ||
| CAJG2065 | VF20,VG65 | 80 | 145 | 25.4 | 2D / 3D | CAJG8065 | VF80, VG65 | 160 | 145 | 63.5 | 2D / 3D | ||
| CAJG2080 | VF20,VG80 | 80 | 160 | 25.4 | 2D / 3D | CAJG8080 | VF80, VG80 | 160 | 160 | 76.3 | 2D / 3D | ||
| CAJG20100 | VF20,VG100 | 80 | 185 | 25.4 | 2D / 3D | CAJG80100 | VF80, VG100 | 160 | 185 | 76.3 | 2D / 3D | ||
| CAJG20150 | VF20,VG150 | 80 | 235 | 25.4 | 2D / 3D | CAJG80150 | VF80, VG150 | 160 | 235 | 76.3 | 2D / 3D | ||
| CAJG2520 | VF25, VG20 | 90 | 80 | 25.4 | 2D / 3D | CAJG10020 | VF100, VG20 | 185 | 80 | 25.4 | 2D / 3D | ||
| CAJG2525 | VF25, VG25 | 90 | 90 | 25.4 | 2D / 3D | CAJG10025 | VF100, VG25 | 185 | 90 | 25.4 | 2D / 3D | ||
| CAJG2540 | VF25, VG40 | 90 | 105 | 25.4 | 2D / 3D | CAJG10040 | VF100, VG40 | 185 | 105 | 38.1 | 2D / 3D | ||
| CAJG2550 | VF25, VG50 | 90 | 120 | 25.4 | 2D / 3D | CAJG10050 | VF100, VG50 | 185 | 120 | 50.8 | 2D / 3D | ||
| CAJG2565 | VF25, VG65 | 90 | 145 | 25.4 | 2D / 3D | CAJG10065 | VF100, VG65 | 185 | 145 | 63.5 | 2D / 3D | ||
| CAJG2580 | VF25, VG80 | 90 | 160 | 25.4 | 2D / 3D | CAJG10080 | VF100, VG80 | 185 | 160 | 76.3 | 2D / 3D | ||
| CAJG25100 | VF25, VG100 | 90 | 185 | 25.4 | 2D / 3D | CAJG100100 | VF100, VG100 | 185 | 185 | 101.6 | 2D / 3D | ||
| CAJG25150 | VF25, VG150 | 90 | 235 | 25.4 | 2D / 3D | CAJG100150 | VF100, VG150 | 185 | 235 | 101.6 | 2D / 3D | ||
| CAJG4020 | VF40, VG20 | 105 | 80 | 25.4 | 2D / 3D | CAJG15020 | VF150, VG20 | 235 | 80 | 25.4 | 2D / 3D | ||
| CAJG4025 | VF40, VG25 | 105 | 90 | 25.4 | 2D / 3D | CAJG15025 | VF150, VG25 | 235 | 90 | 25.4 | 2D / 3D | ||
| CAJG4040 | VF40, VG40 | 105 | 105 | 38.1 | 2D / 3D | CAJG15040 | VF150, VG40 | 235 | 105 | 38.1 | 2D / 3D | ||
| CAJG4050 | VF40, VG50 | 105 | 120 | 38.1 | 2D / 3D | CAJG15050 | VF150, VG50 | 235 | 120 | 50.8 | 2D / 3D | ||
| CAJG4065 | VF40, VG65 | 105 | 145 | 38.1 | 2D / 3D | CAJG15065 | VF150, VG65 | 235 | 145 | 63.5 | 2D / 3D | ||
| CAJG4080 | VF40, VG80 | 105 | 160 | 38.1 | 2D / 3D | CAJG15080 | VF150, VG80 | 235 | 160 | 76.3 | 2D / 3D | ||
| CAJG40100 | VF40, VG100 | 105 | 185 | 38.1 | 2D / 3D | CAJG150100 | VF150, VG100 | 235 | 185 | 101.6 | 2D / 3D | ||
| CAJG40150 | VF40, VG150 | 105 | 235 | 38.1 | 2D / 3D | CAJG150150 | VF150, VG150 | 235 | 235 | 152.4 | 2D / 3D | ||
| CAJG5020 | VF50, VG20 | 120 | 80 | 25.4 | 2D / 3D | ![]() |
|||||||
| CAJG5025 | VF50, VG25 | 120 | 90 | 25.4 | 2D / 3D | ||||||||
| CAJG5040 | VF50, VG40 | 120 | 105 | 38.1 | 2D / 3D | ||||||||
| CAJG5050 | VF50, VG50 | 120 | 120 | 50.8 | 2D / 3D | ||||||||
| CAJG5065 | VF50, VG65 | 120 | 145 | 50.8 | 2D / 3D | ||||||||
| CAJG5080 | VF50, VG80 | 120 | 160 | 50.8 | 2D / 3D | ||||||||
| CAJG50100 | VF50, VG100 | 120 | 185 | 50.8 | 2D / 3D | ||||||||
| CAJG50150 | VF50, VG150 | 120 | 235 | 50.8 | 2D / 3D | ||||||||
| CAJG6520 | VF65, VG20 | 145 | 80 | 25.4 | 2D / 3D | ||||||||
| CAJG6525 | VF65, VG25 | 145 | 90 | 25.4 | 2D / 3D | ||||||||
| CAJG6540 | VF65, VG40 | 145 | 105 | 38.1 | 2D / 3D | ||||||||
| CAJG6550 | VF65, VG50 | 145 | 120 | 50.8 | 2D / 3D | ||||||||
| CAJG6565 | VF65, VG65 | 145 | 145 | 63.5 | 2D / 3D | ||||||||
| CAJG6580 | VF65, VG80 | 145 | 160 | 63.5 | 2D / 3D | ||||||||
| CAJG65100 | VF65, VG100 | 145 | 185 | 63.5 | 2D / 3D | ||||||||
| CAJG65150 | VF65, VG150 | 145 | 235 | 63.5 | 2D / 3D | ||||||||




